میتوانید برای مشاهده محصولات بیشتر به صفحات زیر بروید
ارسال رایگان
ارسال رایگان برای سفارشات بالای 20 میلیون تومان
651,300 تومان
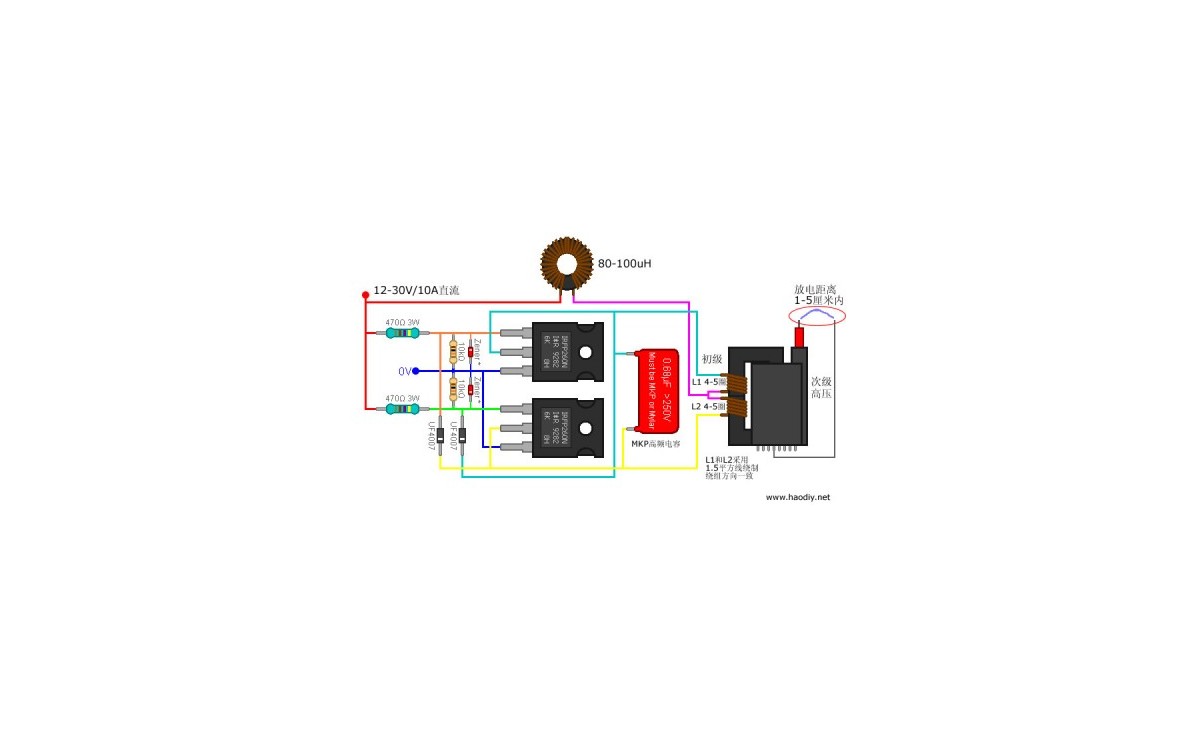
ماژول کوره القایی ZVS دارای محدوده ولتاژ ورودی 12V الی 30V و قابلیت اتصال بوستر ولتاژ توضیحات این ماژول کوره القایی از نوع ZVS (Zero Voltage Switching) بوده و طراحی آن بهگونهای است که بتواند بهصورت بهینه در کاربردهای گرمایش…
ماژول کوره القایی ZVS دارای محدوده ولتاژ ورودی 12V الی 30V و قابلیت اتصال بوستر ولتاژ
این ماژول کوره القایی از نوع ZVS (Zero Voltage Switching) بوده و طراحی آن بهگونهای است که بتواند بهصورت بهینه در کاربردهای گرمایش القایی سبک و متوسط به کار رود. ساختار اصلی مدار شامل دو ترانزیستور MOSFET، یک سیمپیچ مرکزی بزرگ با هسته فریت، خازنهای پلیپروپیلن با ظرفیت بالا و مقاومتهای حلقهای با دقت بالا است. این طراحی باعث میشود که مدار با راندمان بالا و تلفات کم در حالت سوئیچینگ صفر ولتاژ عمل کند. به دلیل سادگی ساختار و قابلیت استفاده با بوستر ولتاژ، میتوان این ماژول را با منابع تغذیه DC مختلف (مثل پاور سوئیچینگ یا باتریهای صنعتی) راهاندازی کرد. کویل مورد استفاده برای این ماژول باید بهصورت جداگانه ساخته یا تهیه شود و معمولاً از سیم لاکی 1.2 میلیمتری با 10 دور استفاده میشود. این ماژول قابلیت تولید قوس الکتریکی، انجام عملیات حرارتی نظیر آنیلینگ، سختکاری سطحی، یا گرمادهی یکنواخت را دارد و به دلیل قیمت پایین، گزینهای مناسب برای پروژههای آموزشی و تستهای مهندسی است.
مشخصات
کاربردهای رایج
این ماژول با توجه به ابعاد کوچک و توان محدود، بیشتر در پروژههای آموزشی، آزمایشگاهی و کاربردهای سبک استفاده میشود. اتصال آسان به کویل خارجی و پشتیبانی از بوستر ولتاژ، انعطاف عملکردی بالایی را فراهم کرده است.
نحوه استفاده
Specification
1. The use of military-grade 1.6MM double-sided glass plate production
2. The use of factory-made large inductance, consistent performance parameters more stable (30MM large magnetic ring, using 1.2MM pure copper wire wound system)
3. All resistance using five-ring tight resistance (five ring precision resistance error is small, work more stable)
4. The bottom of the circuit board is too large current part of all tin (can be used for induction heating, the general business in order to save costs do not open the window can only do high-pressure package drive, once used for induction heating will burn, Over-current is not enough 5. Generally use 12-30V DC power supply, the current also need more than 10A more appropriate , because the drive board is working in the zero voltage switch state ( Zero Voltage Switching) , his efficiency is the highest, the other The driver is unmatched, the higher the voltage the longer the arc (I personally test with 27V / 15A switching power supply can pull more than 80MM arc, the basic heat), you can also do induction heating or quenching, this is the voltage The higher the faster the heating, while the greater the heat, it is recommended to heat the solid diameter of the coil does not exceed 2/3.
شما همچنین می توانید یک پرسش در مورد این محصول ثبت کنید
هنوز امتیازی ثبت نشده است
شما هم میتوانید در مورد این کالا نظر دهید.
اگر این محصول را قبلا خریده باشید، دیدگاه شما به عنوان خریدار ثبت خواهد شد.
میتوانید برای مشاهده محصولات بیشتر به صفحات زیر بروید
















ماژول کوره القایی ZVS با قابلیت اتصال بوستر ولتاژ
دیگران را با نوشتن نظرات خود، برای انتخاب این محصول راهنمایی کنید.
لطفا پیش از ارسال نظر، خلاصه قوانین زیر را مطالعه کنید: فارسی بنویسید و از کیبورد فارسی استفاده کنید. بهتر است از فضای خالی (Space) بیشازحدِ معمول، شکلک یا ایموجی استفاده نکنید و از کشیدن حروف یا کلمات با صفحهکلید بپرهیزید. نظرات خود را براساس تجربه و استفادهی عملی و با دقت به نکات فنی ارسال کنید؛ بدون تعصب به محصول خاص، مزایا و معایب را بازگو کنید و بهتر است از ارسال نظرات چندکلمهای خودداری کنید. بهتر است در نظرات خود از تمرکز روی عناصر متغیر مثل قیمت، پرهیز کنید. به کاربران و سایر اشخاص احترام بگذارید. پیامهایی که شامل محتوای توهینآمیز و کلمات نامناسب باشند، حذف میشوند. از ارسال لینکهای سایتهای دیگر و ارایهی اطلاعات شخصی خودتان مثل شماره تماس، ایمیل و آیدی شبکههای اجتماعی پرهیز کنید. با توجه به ساختار بخش نظرات، از پرسیدن سوال یا درخواست راهنمایی در این بخش خودداری کرده و سوالات خود را در بخش «پرسش و پاسخ» مطرح کنید. هرگونه نقد و نظر در خصوص سایت فروشگاه ما، خدمات و درخواست کالا را با ایمیل info@yourdomain.com یا با شمارهی ۰۰۰۰ - ۰۲۱ در میان بگذارید و از نوشتن آنها در بخش نظرات خودداری کنید.